Quarter-turn 91S7-11
The Quarter-Turn part 91S7-11 is an old part number for Anemo. This part is old style yellow chromate plated. You will need to switch to the new clear zinc plated reference, that has the same mechanical characteristics as the old part. The change to the new part number was necessary to reflect the new plating which is better corrosion resistant. The new ROHS conform reference is:
HHSTLHS-11Z
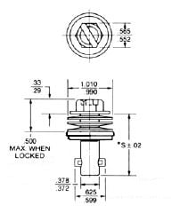
Details of 91S711
- Material Grade
- Steel / cadmium-plated, yellow chromate
- Max. Tensile Strength
- 1800 lbs
- Max. Working Load
- 1200 lbs
- Max. Working Temp.
- 225 °F
- Stud length
- 11
- Type
- Sealed hex head slotted recess
TurnLock can offer you this part 91S7-11 with Certificate of Quality, Certificate of Conformity and Certificate of Origin on request. TurnLock is offering part 91S711 as factory new.
We respond within 2 hours.
We can offer 91S7-11 as factory new.
We can provide 91S7-11 with certificate of conformity.
High duty High Strength
Stud